|
|
|
|
| 联系名麻豆三级片免费观看 |
 |
深圳公司地址:深圳市福田区振华路45号汽车大厦618
手机:13823516468
客服QQ:138866318
E-mail:mwtaudio@163.com |
|
|
|
|
|
| 音响工程中话筒线高频衰减效应实测对比 |
| 发布时间:2017-5-14 13:54:30 |
|
浏览次数:
次 |
|
|
| |
| |
在专业音响系统的构建中,用户或投资人对于音响设备的挑选都会非常谨慎,但是音频线材作为系统中信号传输的载体,却是相对容易被轻视的环节。本文通过电路原理和线材实测对比来说明,话筒线的线间电容是如何影响音频信号传输质量的。同时也通过计算和实测来说明,音频信号传输中,设备的阻抗是如何影响传输的质量,这是另一个常常被忽略或者误解的问题。
电路原理与电路模型
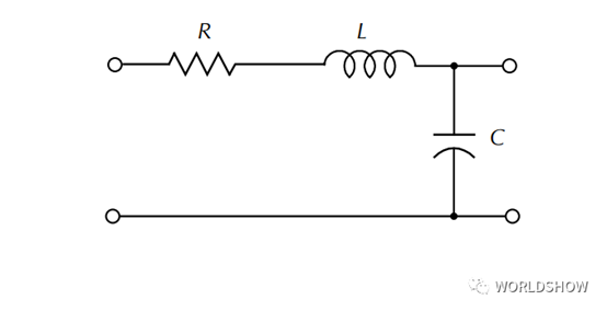
所有电子信号传输都是使用一对导线通过电磁波的传播方式进行的,其中导线起到一个作为相关电场和磁场的约束作用。沿着导线传输路径的某些特定位置,在导线之间的空间中存在着电场,麻豆三级片免费观看可以求得在特定时刻、特定位置上导线之间的电位差。同样,导线表面存在着磁场,麻豆三级片免费观看可以求得特定时刻、特定位置的导体中感应电流的大小。当麻豆三级片免费观看讨论音频设备之间传输模拟音频信号的线缆时,电路的尺寸大小通常远小于信号波长,因而简化的集总电路元件分析将适用于这种电路。模拟音频信号线的集总电路模型如下:

图1:模拟音频信号传输线缆的集总参数电路模型
图中,R表示所有导线的总串联电阻,可以通过万能表测量获得,L表示所有导线的总串联电感,C表示的是总并联电容,其中包括了可能存在的屏蔽效应。这个电路模型忽略了与电容并联的分流电导作用,这是由于在现实系统中的音频线缆长度中,分流电导很小,可以忽略不计。在给定的输出设备内阻和负载阻抗的条件下,通过常规电路分析法即可计算出频率衰减特性。这时线缆的高频-3 dB衰减频率可以通过下式计算:

其中,R为电路总电阻,C为电路总的等效电容。
模型验证:在AP515测试仪中,将输出端阻抗设置为为100Ω,输入端阻抗设置为200 kΩ,用一条长度为0.5m的信号线连接输入和输出。在卡侬公头的2脚和3脚之间并联入一个33nF的电容,这个电容量接近于常见话筒线在距离达到400米后的线间电容的中间值,用于模拟长距离传输时的可能存在的线间电容。在如此短的线材中,麻豆三级片免费观看可以忽略线材本身的电阻和电感。传输电路的模型可简化为:

图2:超短距离模拟音频信号传输线缆的集总参数电路模型
该电路的总电阻为

需要说明的是,电路模型中的电阻(R)与设备参数中的阻抗(Z)是不同的概念。实测中,测试设备的阻抗值略大于电阻值,可以直接用于电阻值的计算。读者应注意区别概念,避免由此造成的混淆。
由上述公式可以计算得到分频频率为:
麻豆三级片免费观看按照此设置,用AP515测试仪来测试该传输电路的频率响应图。为了显示线间电容对高频信号的影响,麻豆三级片免费观看将测试的频率范围设置为20 Hz -80 kHz。实测结果如下图。

图3:0.5m信号线,在卡侬头2脚(热端)和3脚(冷端)并联一个33nF电容的幅频响应。
Zout=100Ω,Zin=200 kΩ
通过频率响应图麻豆三级片免费观看可以看出实际的-3dB衰减频率为48.9 kHz,与上式的计算结果48.28 kHz基本符合。同时麻豆三级片免费观看看到在通常所说的音频上限频率20 kHz处,衰减约为-0.7dB。绝大多数时候,这种高频的衰减可以接受,然而灵敏的音响师耳朵可能会对这样的衰减有所察觉。
输出阻抗问题
在保持上述传输线路不变的情况下,麻豆三级片免费观看仅仅在测试仪中将输出阻抗调整为600Ω,结果将会发现惊人的变化。

图4:0.5m信号线,在卡侬头2脚(热端)和3脚(冷端)并联一个33nF电容的幅频响应
Zin=200 kΩ,Zout=100Ω与600Ω的对比。
可以看到,-3 dB衰减频率为8.25 kHz,而在20 kHz的衰减达到-8.28 dB!这样的衰减会丢失重要的高频成分,使声音完全失去色彩,是绝不可接受的。可是为什么会这样?麻豆三级片免费观看回到公式中计算一下,当输出阻抗由100Ω调整到600Ω,电路总电阻为:

而-3 dB衰减频率则为:
.png)
这和实测的8.25 kHz基本一致。通过这个电路模型输出阻抗100Ω和600Ω的对比,麻豆三级片免费观看发现高频衰减的差别巨大,由此可知,阻抗问题在信号传输中的重要性!
600Ω的阻抗匹配,是早期电话传输迅雷AV黄色成人麻豆和电子管音频时代的历史遗留概念,通过输入、输出和传输线缆的阻抗匹配达到功率的最大传输。在以固态电路为基础的现代专业音频行业,音频信号的传输以电压传输来实现,通过降低输出端阻抗和提高输入端阻抗达到电压传输的最大化。因而在现代专业音频设备中,信号输出端的阻抗通常在50Ω-300Ω,以100Ω为典型值;而输入端的阻抗典型值为10 kΩ– 20 kΩ。从原理到实测,都足以说明600Ω阻抗在现代专业音响领域并无立足之地,600Ω阻抗匹配对于专业音频系统是伪命题。然而,至今仍有众多音频迅雷AV黄色成人麻豆人员对此缺乏清晰的认识,行业内对此存在广泛的误解。
线材实测
为了直观地呈现高频损耗问题,麻豆三级片免费观看采用Audio Precision AP515测试仪及数字电桥,对市面上较为常见的中高端品牌的5款话筒线进行测试对比。这其中既有进口品牌,也有国产品牌。为了尊重这些制造商的权益,麻豆三级片免费观看隐去了这些线材的品牌型号,对它们进行随机编号,依次为A、B、C、D、E。其中A、B、C、D 四款线均为两芯+屏蔽的结构,E为四芯星绞线+屏蔽的结构。
在小型演出中,信号线的长度通常不会超过100米,在这个长度范围内,专业级的设备和线材的高频衰减一般不太明显。而在大型系统中,如在体育场做分散的扩声系统,信号线的总长度可能达到400米甚至更长,这时高频的衰减可能非常明显。为了模拟长距离模拟信号传输的情况,每款被测线材的长度均为400米。为了尽可能减小接插件质量对测试的影响,全部线材接头采用Neutrik 系列卡侬插头并进行统一高质量的焊接。

表1:测试环境与测试条件记录表

图5:线材测试对比现场图
话筒线基本参数:
制造商一般会从三个方面给出产品的参数:
物理参数:包括导体材料、导体直径、绝缘材料、护套颜色、线材外径等
机械性能:包括拉伸断裂力量、摇晃寿命、工作温度等
电气性能:包括导体电阻、屏蔽层电阻、导体间电容量、导体/屏蔽间电容量和绝缘承受电压等。
显然,线缆的电气性能指标对于麻豆三级片免费观看讨论的高频衰减最为关键。为了了解这几款线材的电气性能,麻豆三级片免费观看把各款线材的官网资料查询的参数与实测数据作对比,具体见表2。请注意各项数据的单位不一致。

表2:五款线材的电气性能参数官网与实测数据对比,注意单位的区别。
从上表中可以看出,各款线材的实测参数和官网参数虽然各有出入,但总体上符合,测量设备和测试环境可能是导致这些差别的原因所在。在了解这些电气性能数据之上后,麻豆三级片免费观看分别测试在同样环境同样条件下各款线材的幅频响应的差别。麻豆三级片免费观看将输出阻抗设置为100Ω,输入阻抗设置为200 kΩ,这比较接近于现实中音频信号传输的电路阻抗值。

图6:五款线材的幅频响应(20 Hz -80 kHz),Zout=100Ω,Zin=200 kΩ。
可以看出表现最好的是D,在20 kHz衰减仅为-0.04 dB;A、B、D三款线比较接近,在音频频率范围内均无明显衰减,是实际使用中推荐使用的,基本不会造成音质的可听变化。
表现最差的是E,在20 kHz衰减达到-1.47dB;其次是C在20 kHz衰减约为-1dB。这里应该分别考虑这两款线材,上文提到,E号线的导体结构与其他四款不同,是四芯星绞线,导线多了之后,线间电容自然会较大,因此高频的衰减就会显得比较突出。C号线和A、B、D一样属于两芯屏蔽线,在表2中可以看到其电气性能,特别是导线间电容要高于其他三款,反映在幅频响应上的差异也是比较明显的。现实使用中,这样的衰减导致音响系统的频率响应变差,高频音色会变得黯淡。
需要指出的是,为了便于对比不同线材的高频衰减特性,这里的幅频响应曲线是以1 kHz为参考(即1kHz=0 dB)作归一处理的。实际上,每款线材的电平损耗是不一致的,可以通过测量线材的增益来评估。

图7:五款线材的增益对比图
理论上,话筒线的电平损耗基本和导体的直流电阻成正比,导体直流电阻越高,电平损失越大。实测表明这五款话筒线的电平损耗是基本一致的,这是因为尽管导体的直流电阻有些差异,但是相对于输出和输入阻抗都是微乎其微的,因而电平衰减几乎没有差别。
通过以上两幅测试对比,麻豆三级片免费观看基本可以了解专业音频系统中话筒线对信号传输质量的影响,主要表现在高频的衰减上。而对于非专业设备、输出阻抗设计不合理或被错误设置到很高的情况下,会发生怎样的改变?
麻豆三级片免费观看将测试仪器的输出阻抗由100Ω提高到600Ω,来模拟较高输出阻抗设备的信号传输的情况。

图8:五款线材的幅频响应(20 Hz -80 kHz),Zout=600Ω,Zin=200 kΩ
图中可以看到,输出阻抗为600Ω时,所有五款线材在音频范围内都有明显的衰减,传输线路的幅频响应看上去像是专门设计的低通滤波器了。表现最好的是D号线,其截止频率为11.3 kHz,最差的是E号线,截止频率在5.4 kHz。这样的高频衰减,在实际的系统中当然是决不允许的。好在这种情况在高品质的专业级音频设备中通常不会发生,这些设备通常有设计合理的输出阻抗。
而在劣质设备或者非专业设备中,输出阻抗可能很高,这种高输出阻抗的设备是不能够支持信号的长距离传输的。
解决方案与注意事项
在应用中,大规模的音响系统的信号线布线长度经常会超过100米,有时可能超过400米,如体育场作分散环形扩声系统、大型活动多个分会场的声音互联。在长距离信号传输中,应该要了解信号线的线间电容及设备阻抗对模拟音频信号传输质量的影响,并从以下几点避免高频衰减导致的音质劣化。
1. 选择低电容线材
正规厂家的产品资料都会给出话筒线导体间电容等电气参数,查看、对比这些参数,选择低电容线材可以减小高频衰减问题。对于未能给出基本电气参数的产品要谨慎。
2.选用输出阻抗低的设备,或者采用线路驱动器、阻抗转换设备
专业音频设备的输入输出接口的阻抗属于基本参数,平时应注意查看设备的阻抗参数。长距离应用时,选择输出阻抗低的设备。
线路驱动器或者DI盒可以进行阻抗转换。这类设备的输入阻抗极高,可以有效地从上级设备获得电压信号;输出阻抗较低,可以驱动信号进行长距离传输。很多乐器(包括专业高端的乐器)的输出接口为高阻抗、非平衡输出,在接入音响系统时,务必采用DI盒进行阻抗转换和平衡转换,确保最好的音频传输质量,减小高频信号的衰减、电平损失、电磁干扰等问题。远距离的模拟信号传输,可以在系统中加入线路驱动器,这类设备的输出阻抗极低,可以减小远距离传输的高频衰减。
3.采用数字传输方案
数字音频信号的传输在原理上和模拟信号传输不同,在一些超长距离(达到或超过1km)的模拟音频传输中,即便采用优质的线材也无法避免高频衰减和电磁干扰。数字传输迅雷AV黄色成人麻豆的优势可以避免这样的问题,是超远距离信号传输的更佳选择。
|
| |
|
|
|
|
|